• PRISPRESSAT, SNABBA LEVERANSER & ALLTID PÅ LAGER I VÅR KÄVLINGE-BUTIK!
FRÅGOR? KONTAKTA OSS PÅ 046-736500 / [email protected] / 10.00-18.00

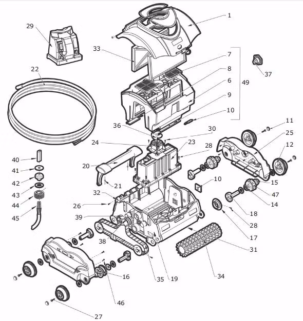
Hayward Grovfilter för Sharkvac & Tigershark 2-pack RCX70103PAK2 (stora)

  • 799 kr

Grov-filter till Haywards Sharkvac & Tigershark robotdammsugare. Full flödes, grovstädningsfilter i 2-pack filter kit till din Shark Vac eller Tigershark.&n

I lager
Dela
Artikelnummer: 7016501

Grov-filter till Haywards Sharkvac & Tigershark robotdammsugare. Full flödes, grovstädningsfilter i 2-pack filter kit till din Shark Vac eller Tigershark. 

Perfekt till vårstädningen när du startar upp poolen. Låt dina finmaskiga filter slippa ta smällen när du behöver dammsuga upp lite grövre skräp och löv från botten. 

Dessa filter ökar även flödet genom dammsugaren. Börja alltid vårstädningen med att håva upp det mesta, låt sen din robotdammsugare göra grovjobbet med dessa grovfilter.